一·故障現象描述:
1.分配(擺缸)壓力在怠速時只能達到10MPa,把發動機轉速提起來后能升到12MPa,但當發動機轉速下降時,壓力又從12MPa降為10MPa.總之不能達到分配系統設定的壓力16MPa.
2.擺缸換向只一次就沒力了。
3.分配壓力沖壓時很難上來(達到16MPa)。

二·故障分析
因故障現象首先表現為壓力上不來,最高只有12MPa.
許多人一發現故障就急于動手,而且沒有章法(思路),故大多數人直觀判斷為溢流閥故障。但真正原因是這樣的嗎?
答案不是。經更換溢流閥后故障依舊,因此溢流閥故障的可能性排除!
那又是什么原因呢?
三·后續故障現象的發現:
我們發現最初故障后,應不急于動手,而是繼續觀察試機,最好找到更多的故障現象,以便于更好的綜合分析,找到真正的故障點!
后續故障現象如下:
1.壓力在停機后,泄壓很慢,擺缸能停在中位。
2.在打開卸荷球閥后,分配壓力由10MPa,慢慢地降為零。
上面的故障現象,是不是有一條很熟悉?即打開卸荷球閥后,分配壓力由10MPa,慢慢地降到零(而不是一下突然降到零)。我們是否又想到了蓄能器壓力不夠的典型故障現象!但真的是蓄能器壓力不夠嗎?
答案不是。經更換沖壓正常的蓄能器后,故障現象依舊,因此蓄能器故障的可能性排除!
四·那么真正的原因是什么呢?
我們是不是走入了誤區(總認為是壓力的原因)?那可不可能是流量的問題了?我們回頭看看最初的故障現象:把發動機轉速提起來后能升到12MPa。將發動機轉速提起來,影響了什么?當然是齒輪泵的流量!
再加上后續故障現象中有這樣的一條:壓力在停機后,泄壓很慢。是不是也能說明系統有內泄,即系統流量不夠!
故綜上所述,我們可以查一下系統流量問題,即系統可能存在內泄的問題。
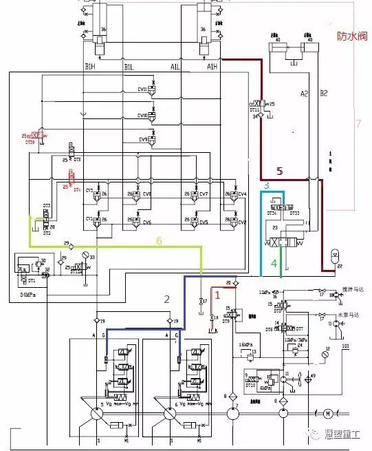
五·要查分配系統存在內泄的問題,必須熟悉了解分配系統的油路,特別是分支油路!
分配系統油路原理如下圖:
1.應遵循先易后難的原則,先從分支油路進行排查。
分配油路分支油路共有6支,如上圖不同顏色的油路:
1號油路:卸荷油路(紅色)
如果卸荷球閥(17)關不嚴,則會卸掉分配系統壓力和流量。經更換該球閥(可以用堵頭堵死膠管也行),故障現象依舊。因此該卸荷球閥關不嚴的可能性排除!
2號油路:主泵快速反應油路(深藍色)
如果主泵梭閥(G口)中的單向閥關不死,將導致分配壓油從主泵梭閥內泄了。我們將此處油路堵死,故障現象依舊,因此主泵快反油路存在內泄的可能性予以排除!
3號油路:擺四通換向控制油路(淡藍色)
如果此處先導電磁閥內泄,或者擺四通(23)X口或Y口控制方式不對,也會造成分配油路通過控制油路內泄或跑油了。經更換先導電磁閥及確認擺四通控制方式后(該油路在主閥塊內,不能堵死),故障現象依舊。因此擺四通換向控制油路存在內泄的可能性予以排除!
5號油路:退砼油路(醬紫色)
如果退砼閥及小油缸內泄,分配壓油將從此處跑了。可以用一堵頭將此油路堵死,故障現象依舊,因此退砼油路存在內泄的可能性予以排除!
6號油路:插裝閥控制油路(草綠色)
如果某個插裝閥、電磁閥(25、28)、梭閥(29)未密封住,將導致分配油路從此處泄油了。因此處為主閥塊內部油路,可以裝一個O型先導電磁閥替換主油路電磁閥(28)、高低壓切換電磁閥(25)。替換后,故障現象依舊,因此插裝閥控制油路存在內泄的可能性予以排除!
7號油路:防水閥油路
如果防水閥的溢流閥內泄等,將導致分配壓油從此處跑掉了。因此,只需將防水閥上的球閥手柄關死,處理后故障現象依舊,因此防水閥油路存在內泄的可能性予以排除!
2.從主油路進行排查
主油路是從齒輪泵(7)至4號油路擺四通(23)處,若擺四通內泄,將導致擺缸溜缸。而現在擺缸不溜缸(擺缸停在中位),故擺四通不內泄。而溢流閥等已在前面的排查中予以了排除。故主油路只剩下了齒輪泵。更換齒輪泵后,故障現象消除!分配系統壓力等都恢復了正常!
故此故障的最終故障點在齒輪泵的內泄!
反證(液壓原理分析):
任何泵、閥、油缸等都存在一個理論的允許的泄漏量,只要在泄漏量的范圍內,則為正常(各項性能正常);若超出了這個泄漏量范圍,則為不正常(各項性能有可能達不到設計要求)!
在此處,很明顯齒輪泵的泄漏量超標了,導致它的輸出流量不夠。而輸出流量的不夠到達一定量時,將會導致系統壓力建立不起來。因此,當發動機轉速提升時,能增加齒輪泵一定的流量(流量=轉速*排量)。同時,也能一定程度上提升系統的壓力(10MPa升到12MPa)。反之,則會降低系統的壓力(降速時從12MPa到10MPa).但最終因系統壓力不夠(未達到16MPa),擺缸等執行機構將無力擺動!
三一大排量泵車分配壓力上不去故障解析,三一泵車故障排查,現象描述,故障分析。慧盟重工為我們提供最好的質量,最滿意的服務。慧盟混凝土泵車專區為我們提供慧盟混凝土泵車案例,慧盟混凝土泵車案例分析,泵車施工方案等內容,關于慧盟混凝土泵車的內容盡在慧盟泵車專區,湖南慧盟重工科技有限公司是目前集專業混凝土機械研發制造、工程機械銷售、工程機械維修、租賃以及零部件批發為一體的企業。慧盟重工官網www.zdpvt.cn,歡迎前來咨詢





